变压器降压后再整流滤波可以把220V交流电转变成低压直流电,但是这样元器件占用体积会很大,当受体积因素的限制时,电容降压是比较实用的方法。以下为几种电容降压电路图。

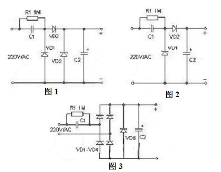
如图1,C1为降压电容器,D2为半波整流二极管,D1在市电的负半周时给C1提供放电回路,D3是稳压二极管R1为关断电源后C1的电荷泄放电阻。在实际应用时常常采用的是图2的所示的电路。当需要向负载提供较大的电流时,可采用图-3所示的桥式整流电路。整流后未经稳压的直流电压一般会高于30伏,并且会随负载电流的变化发生很大的波动,这是因为此类电源内阻很大的缘故所致,故不适合大电流供电的应用场合。
器件选择
1.电路设计时,应先测定负载电流的准确值,然后参考示例来选择降压电容器的容量。因为通过降压电容C1向负载提供的电流Io,实际上是流过C1?的充放电电流Ic。C1容量越大,容抗Xc越小,则流经C1的充、放电电流越大。当负载电流Io小于C1的充放电电流时,多余的电流就会流过稳压管,若稳压管的最大允许电流Idmax小于Ic-Io时易造成稳压管烧毁。
2.为保证C1可以工作,其耐压选择应大于两倍的电源电压。?3.泄放电阻R1?的选择必须保证在要求的时间内泄放掉C1上的电荷。
设计举例
图2中,已知C1为0.33μF,交流输入为220V/50Hz,求电路能供给负载的最大电流。
C1在电路中的容抗Xc?为:
Xc=1/(2πfC)=?1/(2*3.14*50*0.33*10-6)=?9.65K?流过电容器C1的充电电流(Ic)为:Ic=U/Xc=220/9.65=22mA。
通常降压电容C1的容量C与负载电流Io的关系可近似认为:C=14.5I,其中C的容量单位是μF,Io的单位是A。
电容降压式电源是一种非隔离电源,在应用上要特别注意隔离,防止触电。整流后未经稳压的直流电压一般会高于30伏,并且会随负载电流的变化发生很大的波动,这是因为此类电源内阻很大的缘故所致,故不适合大电流供电的应用场合。电容降压式电源是一种非隔离电源,在应用上要特别注意隔离,防止触电,电容降压的工作原理并不复杂,他的工作原理是利用电容在一定的交流信号频率下产生的容抗来限制最大工作电流。例如,在50Hz的工频条件下,一个1uF的电容所产生的容抗约为3180欧姆。当220V的交流电压加在电容器的两端,则流过电容的最大电流约为70mA。虽然流过电容的电流有70mA,但在电容器上并不产生功耗,应为如果电容是一个理想电容,则流过电容的电流为虚部电流,它所作的功为无功功率。根据这个特点,我们如果在一个1uF的电容器上再串联一个阻性元件,则阻性元件两端所得到的电压和它所产生的功耗完全取决于这个阻性元件的特性。例如,我们将一个110V/8W的灯泡与一个1uF的电容串联,在接到220V/50Hz的交流电压上,灯泡被点亮,发出正常的亮度而不会被烧毁,因为110V/8W的灯泡所需的电流为8W/110V=72mA,它与1uF电容所产生的限流特性相吻合,同理,我们也可以将5W/65V的灯泡与1uF电容串联接到220V/50Hz的交流电上,灯泡同样会被点亮,而不会被烧毁。因为5W/65V的灯泡的工作电流也约为70mA.因此,电容降压实际上是利用容抗限流,而电容器实际上起到一个限制电流和动态分配电容器和负载两端电压的角色。
采用电容降压时应注意以下几点:
1、不能依据负载的电压和功率选取电容,只能根据负载的电流大小和交流电的工作频率选取适当的电容。
2 、限流电容必须采用无极性电容,绝对不能采用电解电容,而且电容的耐压须在400V以上,最理想的电容为铁壳油浸电容。
3、 电容降压不能用于大功率条件。
4 、电容降压不适合动态负载条件。
5 、同样,电容降压不适合容性和感性负载。
6 、当需要直流工作时,尽量采用半波整流,不建议采用桥式整流,而且要满足恒定负载的条件。