LM2751是美国国家半导体(NS)公司推出的一款小型白光LED驱动器,采用10PINLLP无铅封装,内置固定频率的电荷泵,在输入电压为2.8V~5.5V的情况下,可稳压输出4.5V或5.0V电压,输出电流为150mA(4.5V)或80mA(5V)。
LM2751多用于白色LED显示和键盘背光系统中,还用于升压或降压稳压电路中。LM2751内部电路工作频率可由外接元件进行设定,具体开关频率有725kHz、300kHz、37kHz、9.5kHz等。LM2751的典型应用电路如图3所示。

并联式白光LED的驱动芯片AIC1848
AIC1848是台湾沛亨半导体股份有限公司针对手机、PDA(掌上电脑)、数字相机等可携式电子产品,推出的一款并联式白光LED的驱动芯片。
AIC1848采用两倍电荷泵(2XCharge-Pump)提供稳定的5V输出电压,并以恒定电压的方式驱动多颗并联白光LED,其典型应用电路如图5所示。

AIC1848的工作频率高达1.8MHz,外围电路非常简单,仅需外接3只陶瓷电容,不需连接电感,驱动电路占用空间很小,符合便携式电子产品小体积、高效能的要求。同时,AIC1848具有过电流(OCP)保护及热关机(ThermalShutdown)功能,使白光LED驱动电路具有更高的可靠性与稳定性。
白光LED驱动器AP3008
AP3008是BCD半导体公司(BCDSemiconductor)生产的一款串联升压式白光LED驱动器,能满足LCD背光均匀、低成本、高性能、恒流等要求。
AP3008为电流模式的升压式DC-DC变换器,内置功率开关管,并集成有1.25V的基准电源、误差放大器、1.2MHz振荡器、斜波发生器、电流取样放大器、PWM及R/S触发器、过压保护(OVP)、输出驱动等电路。
因AP3008内置有UVLO电路,具有2.5V~15V很宽的工作电压范围。过压保护电路检测PWM脉冲输出的峰值电压,当PWM脉冲的峰值电压高于内部设置的I.值电压时,过压保护电路动作,关闭PWM开关电路。若要使电路重新工作,则断电后再上电,或在④脚加上一个由低到高的信号。
当输人电压为3.2V时,AP3008可以驱动4只白光LED,输出电流最大为20mA;当输人电压为5V时,它可以驱动6只白色LED、输出电流最大仍为20nA。AP3008采用SOT23-5和TSOT23-5封装,典型应用电路如图7所示。

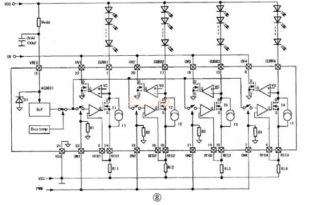
白光LED驱动芯片AS3691
AS3691是奥地利微电子公司(AMS)推出的白光LED驱动芯片,可通过外部电阻设定每个LED通道的工作电流,LED的亮度则由四个独立的脉冲宽度调节器控制。因每只AS3691芯片中集成有四个独立工作的电流控制电路,如图8所示,故该芯片能同时驱动四路白光LED,每路输出电流为400niA,或是仅驱动一路白光LED,但可输出1.6A电流。

为了减少电感升压器产生的电磁干扰(易造成图像闪烁),AS3691内置有线性驱动器;为了提升驱动效率,该芯片内部每个通道都设有一个回馈输出端。AS3691采用小型QFN4x4封装,工作电压可高达15V,对LED的电流的控制精度达0.5%。