很多工程师在完成一个项目后,发现整个项目大部分的时间都花在“调试检测电路整改电路”这个阶段,也正是这个阶段,很多项目没有办法进行下去,停滞在那边。想要快速完成项目,摆脱实验调试时的烦闷,苦恼不知道问题出在哪里,就快点了解下面这些电路设计中的细节!

01.为了获得具有良好稳定性的反馈电路,通常要求在反馈环外面使用一个小电阻或扼流圈给容性负载提供一个缓冲。

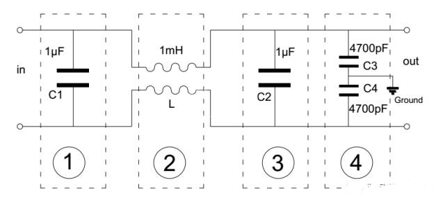
02.积分反馈电路通常需要一个小电阻(约560欧)与每个大于10pF的积分电容串联。
03.在反馈环外不要使用主动电路进行滤波或控制EMC的RF带宽,而只能使用被动元件(最好为RC电路)。仅仅在运放的开环增益比闭环增益大的频率下,积分反馈方法才有效。在更高的频率下,积分电路不能控制频率响应。
04.为了获得一个稳定的线性电路,所有连接必须使用被动滤波器或其他抑制方法(如光电隔离)进行保护。
05.使用EMC滤波器,并且与IC相关的滤波器都应该和本地的0V参考平面连接。
06.在外部电缆的连接处应该放置输入输出滤波器,任何在没有屏蔽系统内部的导线连接处都需要滤波,因为存在天线效应。另外,在具有数字信号处理或开关模式的变换器的屏蔽系统内部的导线连接处也需要滤波。
07.在模拟IC的电源和地参考引脚需要高质量的RF去耦,这一点与数字IC一样。但是模拟IC通常需要低频的电源去耦,因为模拟元件的电源噪声抑制比(PSRR)在高于1KHz后增加很少。在每个运放、比较器和数据转换器的模拟电源走线上都应该使用RC或LC滤波。电源滤波器的拐角频率应该对器件的PSRR拐角频率和斜率进行补偿,从而在整个工作频率范围内获得所期望的PSRR。
08.对于高速模拟信号,根据其连接长度和通信的最高频率,传输线技术是必需的。即使是低频信号,使用传输线技术也可以改善其抗干扰性,但是没有正确匹配的传输线将会产生天线效应。
09.避免使用高阻抗的输入或输出,它们对于电场是非常敏感的。

10.由于大部分的辐射是由共模电压和电流产生的,并且因为大部分环境的电磁干扰都是共模问题产生的,因此在模拟电路中使用平衡的发送和接收(差分模式)技术将具有很好的 EMC效果,而且可以减少串扰。平衡电路(差分电路)驱动不会使用0V参考系统作为返回电流回路,因此可以避免大的电流环路,从而减少RF辐射。
11.比较器必须具有滞后(正反馈),以防止因为噪声和干扰而产生的错误的输出变换,也可以防止在断路点产生振荡。不要使用比需要速度更快的比较器(将dV/dt保持在满足要求的范围内,尽可能低)。
12.有些模拟IC本身对射频场特别敏感,因此常常需要使用一个安装在PCB上,并且与 PCB的地平面相连接的小金属屏蔽盒,对这样的模拟元件进行屏蔽。
来源:张飞实战电子