工厂的运行往往需要内部的电机正反转,这就需要控制电机正反转的电路,本篇文章将介绍一款 控制电机正反转电路。
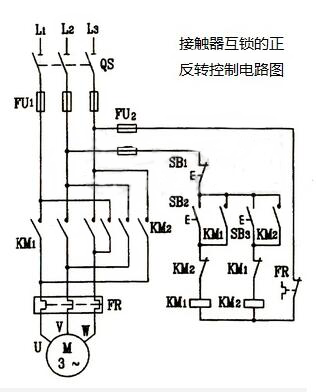
下图所示的控制线路中采用了两个接触器,即正转用接触器KM1和反转用接触器KM2。当接触器KM1的三对主触头接通时,三相电源的相序按Ll-L2-L3接入电动机。当接触器KM2的三对主触头接通时,三相电源的相序按L1-la-LI接入电动机,电动机就向相反方向转动。

电路要求接触器KMI和接触器KM2不能同时接通电源,否则它们的主触头将同时闭合,造成、两相电源短路,为此在KM1和KM2线圈各自支路中相互串联对方的一副动断辅助触头,以保证接触器KM1和KM2不会同时接通电源,KM1和KM2这两副动断辅助触头在线路中所起的作用称为互锁或联锁作用,这两副动断触头就叫互锁触头。
接触器互锁的电机正反转控制电路动作原理与过程是:先合上电源开关QS:
正转控制:按SB2→KM1线圈通电→KM1自锁触头闭合、KM1互锁触头断开、KM1主触头闭合→电动机M运转;
反转控制:先按SB1→KM1线圈断电→KM1自锁触头断开、KM1互锁触头闭合、KM1主触头断开→电动机M断电→按下SB3→KM2线圈通电→KM2自锁触头闭合、KM2互锁触头断开、KM2主触头闭合→电动机M反转。
这种电击正反转控制接线电路的缺点是操作不方便,因为要改变电动机的转向,必须先按停止按钮SB1,再按反转按钮SB3才能使电机反转。