开关电源是我们使用的比较广泛的一种电源,小到电脑适配器,大到电动车、汽车充电器。本篇文章将介绍一款开关电源的电路图。此开关电源充电器,供电电压源为110V,可方便地改为90~250V而继续工作;输出电压5V,可改动为输出5~12V,特别适合无绳电话或手机的3.6V(或4~9V)电池作快速充电使用。

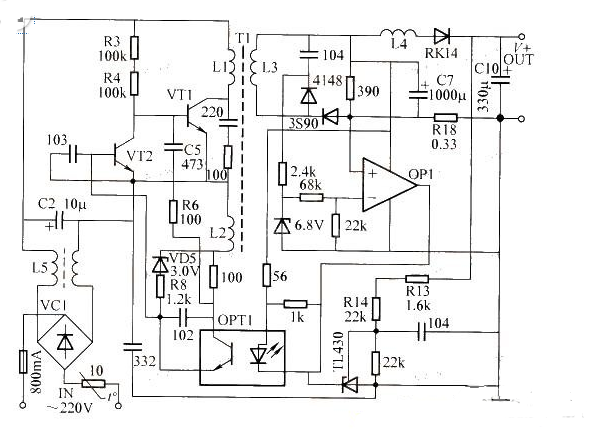
电路工作原理:由图可知,VC1、L5以及C2等组成市电输人整流滤波电路,C2两端产生约300V的直流高压。VT1、VT2、L1、L2等组成自激式振荡电路,R3、 R4提供启动偏置电流,使VT1加电时即导通。当主回路L1中有电流流过时,L2上产生感应电动势,当其峰值超过3V时,VD5被击穿,通过R8向VT2 提供偏流,使VT2饱和导通,VT1因偏置电压被短路而关断。当L1中电流关断时,L2感应电动势的极性反相,经VD5、R8加反向偏压于VT2基极,VT2转变为截止状态,VT1经R3、R4提供的偏置电流重新导通。如此循环往复,形成间歇自激振荡。C5、R6用以改善振荡波形,光电耦合器 OPT1用以调控振荡器脉冲宽度。
L3、L4、C7等组成整流输出电路,二极管3S90用于半波整流,RK14用于充电隔离,R18作为输出电流采样电阻。当输出电流超载(大于 0.8A)或短路时,R18上产生较大压降,使OP1输出电位急剧降低,光电耦合器控制振荡脉冲变窄,由L1耦合到L3的平均能量也大幅度降低。即使输出短路,输出电流也仅有十几毫安,从而避免了输出端超载甚至短路对开关电源自身造成的威胁。稳压部分由TL431等周边电路组成,电压采样点取自被充电电池两端,按图中R13+R14参数值,空载输出电压为5.25V。对于3.6V可充电池的最大充电电流为0.95A,适合对2A·h以上的镍镉或锂电池直接充电。若用它对0.7~1A·h的镍镉或锂电池充电时,充电回路内可串接一只电阻为 1.5~2.5Ω、功率0.5W的限流电阻,使充电电流被限制在0.3~0.4A。
以上介绍了开关电源的电路图原理,希望能对您有所帮助。