负离子发生器常用在空气净化机中,负离子可以制造活性氧、改善肺功能、增强抗病能力、杀菌等作用。本篇文章将介绍一款负离子发生器的电路图。
电路原理:
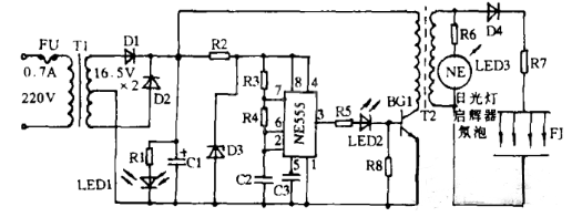
原理图如图所示。220V交流电经变压器T1降压,二极管D1、D2全波整流后形成约20V的直流电压,经升压变压器T2初级绕组加在三极管BG1集电极上。同时,20v直流电压又经R2限流,D3稳压后形成约6V的直流电压供给振荡电路。

时基集成电路NE555与外围元件构成无稳态多谐振荡器。NE555②、⑥脚外接元件R3、R4、c2决定了振荡频率f=1.443/(R3+2R4)·C2,本电路中振荡频率约为5.2kHz。振荡器产生的高频方波脉冲由NE555③脚输出,从③脚输出的脉冲信号控制开关管BG1导通,使20V直流电压经升压变压器T2升至约8.9kv的高压,该高压经高压二极管D4整流后使放电板FJ。电极两端空气电离而产生负离子。当高压部分正常时,氖泡LED3点亮指示有高压,如果安装不便时便会觉得身置可省略。
2.元件选择:
变压器T1次级输出电压为16.5v&TImes;2的43cm黑白电视机电源变压器;升压变压器用43cm黑白电视机高压包改制:原高压绕组保留下来作为高压输出绕组,用0.3mm的高强度漆包线在骨架上绕27匝作为初级绕组接在BGlc极与+20V电源上即可。放电极¨用一块10cm&TImes;10cm的环氧敷铜板用刀刻而成(放电极的距离应≥7.5mm或根据实际情况调整,以不拉火为宜)。其余元件按表1所列选择即可。

按文选用元件装好电路后,不用任何调试即可满意地工作。注:BGl如工作时间大于2小时,应加装体积为5cm&TImes;4cm的铝片以散热。