高频正弦波发生器是信号发生器的一种,它是可以产生测试信号的仪器,它用于产生被测电路所需特定参数的电测试信号。比如,测试低频放大器的频率特性、增益、等,也可用作高频信号发生器的外调制信号源。下图的高频正弦波发生器可以得到频率达数百兆赫的高频信号。现在就讲解一下它的电路图。

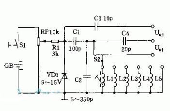
从输出端Vo1取出的信号是单一频率信号,可以用来调准调谐回路中的谐振频率。从输出Vo2取出的信号是广谐高频信号,可以进行超外差式收音机中输人谐振电路和本振调谐电路之间的统调。发生器的频率范围为100kHz~27MHz,共分五个频段100kHz~300kHz~1MHz~3MHz人9MHz~27MHz。信号发生器的输出电压约为9mV。
线圈L1~L5绕制在具有微调磁芯的骨架上,L1~L3用φ0.lmm的漆包线,L4、L5用φ0.2mm的漆包线。L1~L5的匝数为270+270,260,80,30和10匝。组装完成后用标准信号发生器校准一下,并在可变电容器C3的旋钮上作出频率刻度。调节电位器RP使输出高频信号最强。电路中采用的稳压管无特别要求,只是电源电压应比稳压值高一些,以保证稳压管工作于特性曲线的拐点上。