在手工焊接元器件时,常常用到电烙铁,普通的电烙铁容易烧死烙铁头,可调温电烙铁使用起来会方便许多。下面将介绍两款调温电烙铁的电路图原理。
电路图一

本电路如上图所示,调温器是附加在电烙铁外部的调温装置;220V交流市电通过桥式整流成为100Hz的脉动直流,脉动直流首先通过R1、RP向电容c充电,当C两端电压充到双向触发二极管VD5的触发电压时VD5导通,C两端电压经vD5加到可控硅的控制板使可控硅导通,脉动直流加到电烙铁上。电源过零时可控硅关断,等到下一个脉冲到来时电路重复上述过程。调节RP可以改变电源对c的充电时间,即改变可控硅的导通角,电烙铁的温度也随之变化。
电路图二

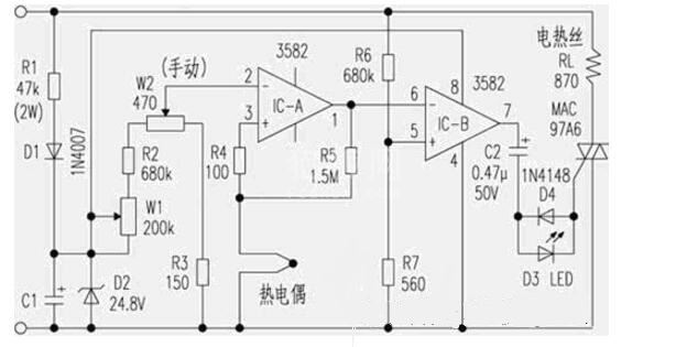
该电烙铁控温范围是100℃~400℃,调温标志标明低、中、高位,控温精度标称±5%,采用了热电偶传感器。控制电路采用了交流市电直接降压、滤波、稳压供电方案。工作原理见下图。 市电AC220V经R1降压、D1半波整流、D2削波稳压、C1滤波后作为比较器件IC的电源电压及调温设定电压源。IC-Q③脚为热电偶检测电压输入端(与温度值对应);②脚为调温设定电压。在②、③脚两端电压比较后,由①脚输出。其中R5的作用是将输入的很少一部分反馈至同相输入端③脚,以使在小信号波动时输出锁定不变。当热电偶检到温度偏低时;③脚电平相对②脚低,使输出①脚也低。进而使IC-B放大器⑥脚相对于固定偏置的⑤脚偏低,使输出⑦脚为高。由于IC-B⑤脚电压是由AC220V经R6、R7分压而得,因而,频率、相位完全与AC220V相同。与⑥脚直流比较后在⑦脚输出交流电压。该交流电压经C2、D4、D3和D4反向并联(作用同双向二极管)触发双向可控硅,使相应的电压加到烙铁电热丝上,以达到恒温的目的。
以上介绍了两款温度可调电烙铁的电路图,第一款应用了可控硅的导通与关断来控制电烙铁的温度,应用的元器件少,有着廉价容易制作的特点。另一款采用了热电偶传感器,有着控制精度高的特点。