直流升压电路常常用于手机、传呼机等无线通讯设备、照相机中的闪光灯、便携式视频显示装置等等。其基本的工作过程都是:高频振荡产生低压脉冲——脉冲变压器升压到预定电压值——脉冲整流获得高压直流电。以下是几种简单的直流升压电路,主要优点:电路简单、低成本;缺点:转换效率较低、电池电压利用率低、输出功率小。这些电路比较适合用在万用电表中,可以替代高压叠层电池。
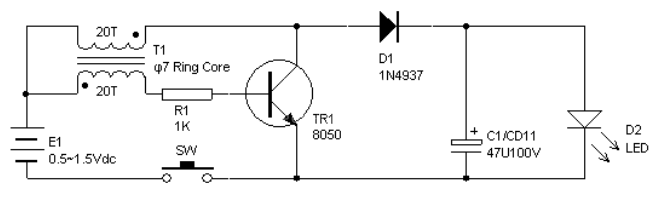
1.5V低成本LED驱动电路

磁环选用T9*5*3/2K,也可用T10*6*5等,用0.3mm漆包线双线并绕20T,按图中同名端连接.TR1选8050或9014,D1选4937或107,PCB用一片废板自制。
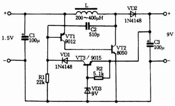
一种稳压型直流升压电路

该电路可将一节1.5V的电池升压至9V,用来取代9V叠层电池使用。电路空载输人电流低于1.2mA,转换效率高达60%.该电路由振荡电路和稳压电路构成,其中VT1、VT2、C2组成振荡器,色码电感L为储能电感,VD2为整流二极管,C3为输出滤波电容,VT3、VD1、VD3及R2为稳定输出电压的稳压电路。输出电压约等于VD3的稳压值。
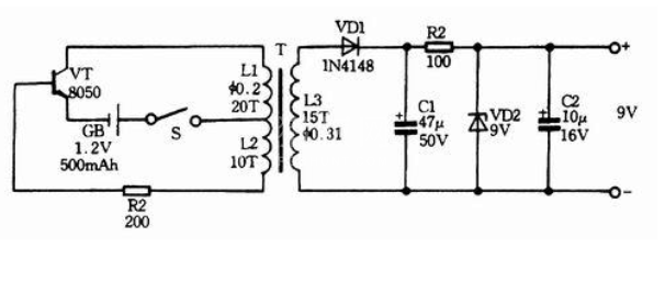
一种利用1.2V、500mAh的镍镉电池做电源的逆变电源电路

输出直流电压为9V,可供数字式万用表使用。图7-72中变压器T利用15mm的磁环穿绕而成。(元器件参数图中均已标注,S为数字万用表的电源开关。
以上就是关于直流升压电路的分享,希望能对你有所帮助。