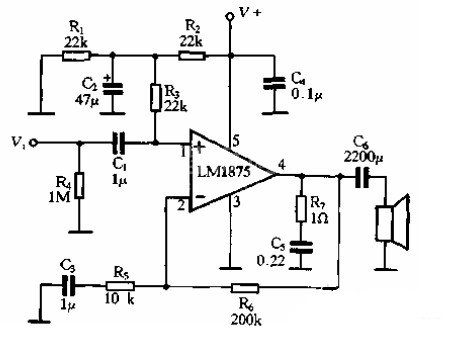
Lm1875是由美国半导体公司研发的一种功放集成芯片,可以作为单声道功放的芯片。它的主要特性是:供电电压15-20V,最大输出功率为30W(8欧),开环增益90dB,总谐波失真0.02%,功率带宽为70kHz,最大电流容量3A,外围电路简单,有过载保护功能。本篇文章介绍一款基于LM1875的功放电路。

(1)稳定性。闭环增益在10dB或稍大于10dB使用时,电路工作最稳定。和其它大电流放大器件一样,当因布线不当造成输出与输入之间产生耦台时,会出现自激。可在3脚、5脚与地之间加入0.1uF的退耦电容。电路的输出可直接与扬声器连接(不安全)也可通过电容与扬声器耦台。并在输出与地之间加入平衡网络,用1欧电阻与0.22v.F电容串联。
(2)保护:正常应用时,工作电流限制在4A左右,当输出管加上高电压时,则降低最大电流,以确保安全。LM1875在驱动非线性的电抗性负载时,例如装有保护继电器的扬声器时,由于电感反动势的作用,可能使负载上的电压摆幅超过电源电压,导致晶体管损坏,一般电路常用反向电压泄放二极管以保安全,这就是所谓的SOA保护。LM1875内装有SOA保护电路,确保电路安全。
(3)过热保护。LM1875内部设有先进的过热保护电路,当管芯温度达到170℃时,电路自动停止工作。当温度降至145℃时,又重新工作。此后若温度再度上升时,只要升到150℃时,即停止工作。这样即使在持续故障下也能保证过热保护的可靠性。