在歌舞厅能看见随着声音的变换而变色的彩灯,那么它是怎样工作的呢?看了这篇关于声控彩灯的控制电路的文章,你一定会对其有一定的了解,接下来我们来看看它的电路图。

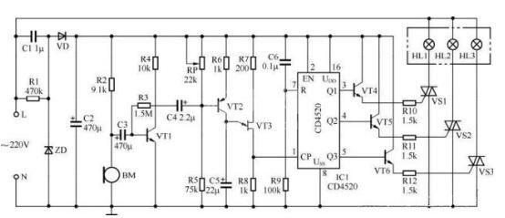
该声控变色彩灯电路由电源电路、声控电路、压控振荡器和控制电路等组成。电源电路由降压电容C1、限流电阻R1、稳压二极管ZD、整流二极管VD和滤波电容C2组成。声控电路由话筒BM、电阻R2~R4、电容C3和晶体管VT1组成。压控振荡器由晶体管VT2、单结晶体管VT3、电位器RP、电阻R5~R8以及电容C4、C5组成。彩灯控制电路由电阻R9~R12、电容C6、同步加法计数器集成电路IC1(CD4520)、晶体管VT4~VT6、晶闸管VS1~VS3组成。
交流220V电压经C1降压、ZD稳压、VD整流及C2滤波后,为声控电路、压控振荡器和控制电路提供12V左右的直流电压。话筒BM将声音(例如音乐声)信号转换为电信号,该电信号经VT1放大后送入压控振荡器,使振荡器工作。VT1输出的电信号使VT2的工作电流发生变化,C5的充电时间也随之变化,VT3输出的脉冲频率也随着音乐的节奏及强弱同步变化,为IC1的①脚(CP端)提供计数脉冲。在计数脉冲的作用下,IC1的Q1~Q3端输出变化的控制信号,通过控制VT4~VT6和VS1~VS3的导通与截止来控制3路彩灯(HL1~HL3)的亮与灭,产生合成灯光效果,调节RP的阻值,可改变彩灯发光色彩变换的速度。其工作过程见下表。

以上就是对声控彩灯电路图的解析,是不是已经对声控彩灯有所了解了呢?