1 回流的基本概念
数字电路的原理图中,数字信号的传播是从一个逻辑门向另一个逻辑门,信号通过导线从输出端送到接收端,看起来似乎是单向流动的,许多数字工程师因此认为回路通路是不相关的,毕竟,驱动器和接收器都指定为电压模式器件,为什么还要考虑电流呢!实际上,基本电路理论告诉我们,信号是由电流传播的,明确的说,是电子的运动,电子流的特性之一就是电子从不在任何地方停留,无论电流流到哪里,必然要回来,因此电流总是在环路中流动,电路中任意的信号都以一个闭合回路的形式存在。对于高频信号传输,实际上是对传输线与直流层之间包夹的介质电容充电的过程。
2 回流的影响
数字电路通常借助于地和电源平面来完成回流。高频信号和低频信号的回流通路是不相同的,低频信号回流选择阻抗最低路径,高频信号回流选择感抗最低的路径。
当电流从信号的驱动器出发,流经信号线,注入信号的接收端,总有一个与之方向相反的返回电流:从负载的地引脚出发,经过敷铜平面,流向信号源,与流经信号线上的电流构成闭合回路。这种流经敷铜平面的电流所引起的噪声频率与信号频率相当,信号频率越高,噪声频率越高。逻辑门不是对绝对的输入信号响应,而是对输入信号和参考引脚间的差异进行响应。单点终结的电路对引入信号和其逻辑地参考平面的差异做出反应,因此地参考平面上的扰动和信号路径上的干扰是同样重要的。逻辑门对输入引脚和指定的参考引脚进行响应,我们也不清楚到底哪个是所指定的参考引脚(对于TTL,通常是负电源,对于ECL通常是正电源,但是并不是全都如此),就这个性质而言,差分信号的抗干扰能力就能对地弹噪声和电源平面滑动具有良好的效果。
当PCB板上的众多数字信号同步进行切换时(如CPU的数据总线、地址总线等),这就引起瞬态负载电流从电源流入电路或由电路流入地线,由于电源线和地线上存在阻抗,会产生同步切换噪声(SSN),在地线上还会出现地平面反弹噪声(简称地弹)。而当印制板上的电源线和接地线的环绕区域越大时,它们的辐射能量也就越大,因此,我们对数字芯片的切换状态进行分析,采取措施控制回流方式,达到减小环绕区域,辐射程度最小的目的。
实例解释:

IC1为信号输出端,IC2为信号输入端(为简化PCB模型,假定接收端内含下接电阻),第三层为地层。IC1和IC2的地均来自于第三层地层面。TOP层右上角为一块电源平面,接到电源正极。C1和C2分别为IC1、IC2的退耦电容。图上所示的芯片的电源和地脚均为发、收信号端的供电电源和地。
在低频时,如果S1端输出高电平,整个电流回路是电源经导线接到VCC电源平面,然后经橙色路径进入IC1,然后从S1端出来,经第二层的导线经R1端进入IC2,然后进入GND层,经红色路径回到电源负极。
在高频时,PCB所呈现的分布特性会对信号产生很大影响。我们常说的地回流就是高频信号中经常要遇到的一个问题。当S1到R1的信号线中有增大的电流时,外部的磁场变化很快,会使附近的导体感应出一个反向的电流,如果第三层的地平面是完整的地平面的话,那么会在地平面上产生一个蓝色虚线标示的电流,如果TOP层有一个完整的电源平面的话,也会在TOP层有一个沿蓝色虚线的回流。此时信号回路有最小的电流回路,向外辐射的能量最小,耦合外部信号的能力也最小。(高频时的趋肤效应也是向外辐射能量最小,原理是一样的。)
由于高频信号电平和电流变化都很快,但是变化周期短,需要的能量并不是很大,所以芯片是和离芯片最近的退耦电容取电的。当C1足够大,而且反应又足够快(有很低的ESR值,通常用瓷片电容。瓷片电容的ESR远低于钽电容。),位于顶层的橙色路径和位于GND层的红色路径可以看成是不存在的(存在一个和整板供电对应的电流,但不是与图示信号对应的电流)。
因此,按图中构造的环境,电流的整个通路是:由C1的正极→IC1的VCC→S1→L2信号线→R1→IC2的 GND→过孔→GND层的黄色路径→过孔→电容负极。可以看到,电流的垂直方向有一个棕色的等效电流,中间会感应出磁场,同时,这个环面也能很容易的耦合到外来的干扰。如果和图中信号为一条时钟信号,并行有一组8bit的数据线,由同一芯片的同一电源供电,电流回流途径是相同的。如果数据线电平同时同向翻转的话,会使时钟上感应一个很大的反向电流,如果时钟线没有良好的匹配的话,这个串扰足以对时钟信号产生致命影响。这种串扰的强度不是和干扰源的高低电平的绝对值成正比,而是和干扰源的电流变化速率成正比,对于一个纯阻性的负载来说,串扰电流正比于dI/dt=dV /(T¬10%-90%*R)。式中的dI/dt (电流变化速率)、dV(干扰源的摆幅)和R(干扰源负载)都是指干扰源的参数(如果是容性负载的话,dI/dt是与T?10%-90%的平方成反比的。)。从式中可以看出,低频的信号未必比高速信号的串扰小。也就是我们说的:1KHz的信号未必是低速信号,要综合考虑沿的情况。对于沿很陡的信号,是包含很多谐波成分的,在各倍频点都有很大的振幅。因此,在选器件的时候也要注意一下,不要一味选开关速度快的芯片,不仅成本高,还会增加串扰以及EMC问题。
任何相邻的电源层或其它的平面,只要在信号两端有合适的电容提供一个到GND的低电抗通路,那么这个平面就可以作为这个信号的回流平面。在平常的应用中,收发对应的芯片IO电源往往是一致的,而且各自的电源与地之间一般都有0.01-0.1uF的退耦电容,而这些电容也恰恰在信号的两端,所以该电源平面的回流效果是仅次于地平面的。而借用其他的电源平面做回流的话,往往不会在信号两端有到地的低电抗通路。这样,在相邻平面感应出的电流就会寻找最近的电容回到地。如果这个“最近的电容”离始端或终端很远的话,这个回流也要经过“长途跋涉”才能形成一个完整的回流通路,而这个通路也是相邻信号的回流通路,这个相同的回流通路和共地干扰的效果是一样的,等效为信号之间的串扰。
对于一些无法避免的跨电源分割的情况,可以在跨分割的地方跨接电容或RC串联构成的高通滤波器(如10欧电阻串680p电容,具体的值要依自己的信号类型而定,即要提供高频回流通路,又要隔离相互平面间的低频串扰)。这样可能会涉及到在电源平面之间加电容的问题,似乎有点滑稽,但肯定是有效的。如果一些规范上不允许的话,可以在分割处两平面分别引电容到地。
对于借用其它平面做回流的情况,最好能在信号两端适当增加几个小电容到地,提供一个回流通路。但这种做法往往难以实现。因为终端附近的表层空间大多都给匹配电阻和芯片的退耦电容占据了。
回流噪声是参考平面上的噪声主要的来源之一。因此有必要研究一下返回电流的路径和流经范围。
3 回流路径理论知识
下图中是印制板中的一条线路,在导线上有电流通过,通常,我们只看到了敷在表面的用于传输信号的导线,从驱动端到接收端,实际上,电流总是在环路上才能流动,传输线是我们可以看到的,而电流回流的途径通常是不可见的,他们通常借助于地平面和电源平面流回来,由于没有物理线路,回路途径变得难于估计,要对他们进行控制有一定的难度。
如图3.1所示, PCB板上每条导线和其回路构成一个电流环路,根据电磁辐射原理,当突变的电流流过电路中的导线环路时,将在空间产生电磁场,并对其他导线造成影响,这就是我们通常所说的辐射,为了减少辐射的影响,首先应该了解辐射的基本原理和与辐射强度有关的参数。

图3.1 印制板上的差模辐射
这些环路相当于正在工作的小天线,向空间辐射磁场。我们用小环天线产生的辐射来模拟它,设电流为I,面积为S的小环,在自由空间为r的远场测得的电场强度为:

E――电场(V/m)
f――频率( )
S――面积( )
I――电流(A)
r――距离(m)
――测量天线与辐射平面的夹角( )
式3.1适用于放置在自由空间且表面无反射的小环,实际上我们的产品是在地面进行而非自由空间,附近地面的反射会使测得的辐射增加6dB,考虑到这一点,式3.1必须乘2,如果对地面反射加以修正并假设为最大辐射方向,则式3.1为

由式3.2知,辐射与环路电流和环面积成正比,与电流频率的平方成正比。
印刷电路板中返回电流的路径是与电流的频率密切相关的。根据电路基本知识,直流或低频电流总是流向阻抗最小的方向;而高频的电流在电阻一定的情况下,总是流向感抗最小的方向。
如果不考虑过孔在敷铜平面上形成的孔、沟的影响,阻抗最小的路径,也就是低频电流的路径,是由地敷铜平面上的弧形线组成,如图3.2。每根弧线上的电流的密度与此弧线上的电阻率有关。

图3.2 PCB敷铜平面上高频电流路径
对传输线来说,感抗最小的返回路径,也就是高频电流返回路径,就在信号布线的正下方的敷铜平面上,如图3.3。这样的返回路径使得整个回路包围的空间面积最小,也就使得此信号形成的环形天线向空间辐射的磁场强度(或接收空间辐射的能力)最小。
对于比较长、直的布线,可以看作理想的传输线。在其上传播的信号返回电流流经范围是以信号布线为中心轴的带状区域,距离信号布线中心轴距离越远,电流密度越小,
如图3.3。这一关系近似满足式3.3 [4]:

式3.3
其中, 为原始信号电流,单位为“A,安培”;
为信号布线与敷铜平面的距离,单位为“in.,英寸”;
为敷铜平面上的点到信号线的垂直距离,单位为“in.,英寸”;
是这一点上的电流密度,单位为“A/in.,安培每英寸”。

图3.3 传输线返回电流密度分布图
根据式3.3,表3.1列出了流经以传输线中心为中心,宽度为 的带状区域内的返回电流占所有返回电流的百分比。

假设英寸,则经过距离传输线0.035英寸以外的区域返回的电流只占所有返回电流的13%,具体分到传输线的一侧只有6.5%,而且密度很小。因此可以忽略不计。
小结:
1.当信号布线下方具有连续、致密、完整的敷铜平面时,信号返回电流对敷铜平面的噪声干扰是局部的。因此,只要遵循布局、布线局部化的原则,即人为地拉开数字信号线、数字器件与模拟信号线、模拟器件之间的距离到一定程度,可以大幅度降低数字信号返回电流对模拟电路的干扰。
2.高频瞬态返回电流,经由与信号走线紧邻的平面(地平面或电源平面)回流到驱动端。驱动器信号走线的终端负载,跨接在信号走线和与信号走线紧邻的平面(地平面或电源平面)之间。
3.当印制板上的电源线和接地线的环绕区域越大时,它们的辐射能量也就越大,因此,我们通过控制回流路径,可以使得环绕区域最小,从而控制辐射程度。
4 回流问题的解决方法
在PCB板上引起回流问题通常有三个方面:芯片互连,铜面切割,过孔跳跃。下面具体对这些因素进行分析。
4.1 芯片互连引起的回流问题
当数字电路工作时,将发生高、低电压之间的转换,这就引起瞬态负载电流从电源流入电路或由电路流入地线。
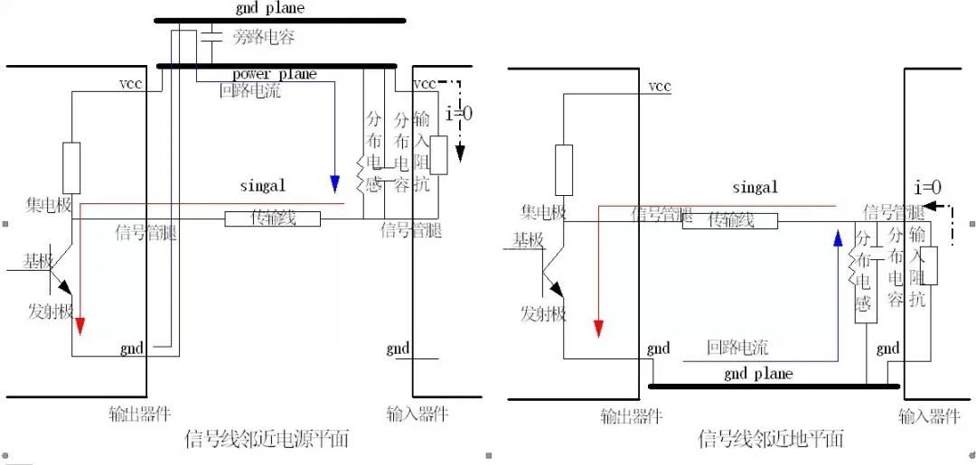
对于数字器件而言,它引脚输入电阻可以认为无穷大,相当于开路(即下图中的i=0),事实上,回路电流是通过芯片与电源和地平面产生的分布电容和分布电感来返回的。以下以集电极输出电路作为输出信号的内部电路为例进行分析。
4.1.1 驱动端从低电平变化到高电平。当输出信号由低电平跳变为高电平时,相当于输出引脚对传输线输出一个电流,由于输入电阻无穷大,我们认为对于芯片而言,没有电流从输入管腿上流入即 ,那么,这个电流必须返回到输出芯片的电源管腿上。
①信号走线与电源平面紧邻。
驱动端对信号走线和电源平面及终端负载构成的传输线进行充电,电流从驱动器的电源管脚进入器件,并从驱动器输出端流向负载端;

高频瞬态返回电流在信号走线下方的电源平面上回流到驱动器的输出端,返回电流直接通过电源平面,从驱动器的电源管脚进入驱动器,构成电流环路。
②信号走线与地平面紧邻。
驱动器对信号走线和电源平面及终端负载构成的传输线进行充电,电流从驱动器的电源管脚进入器件,并从驱动器输出端流向负载端;
高频瞬态返回电流在信号走线下方的地平面上回流到驱动器的输出端,返回电流必须借助在驱动器输出端的电源平面和地平面的耦合电容,从地平面跨越到电源平面,再从驱动器的电源管脚进入驱动器,构成电流环路。
4.1.2 驱动端从高电平变化到低电平,相当于输出引脚吸收传输线上的电流。
① 信号走线与电源平面紧邻。
负载对信号走线和电源平面及驱动器输出端构成的传输线进行放电,电流从驱动器的输出管脚进入器件,从驱动器的地管脚流出,进入地平面,并通过在驱动器地管脚附近的电源平面和地平面耦合电容,跨越到电源平面,返回负载端;
高频瞬态返回电流在信号走线下方的电源平面上回流到负载端,构成电流环路。

② 信号走线与地平面紧邻。
负载对信号走线和电源平面及驱动器输出端构成的传输线进行放电,电流从驱动器的输出管脚进入器件,从驱动器的地管脚流出,进入地平面,返回负载端;高频瞬态返回电流在信号走线下方的地平面上回流到负载端,构成电流环路。
在驱动器的输出管脚、地管脚附近,应当布放电源平面和地平面的耦合电容,为返回电流提供返回通路,否则,返回电流将寻找最近的电源平面和地平面的耦合途径进行回流(使得回流途径难以预知和控制,从而对其他走线造成串扰)。
4.2覆铜切割造成的回流问题解决办法
地平面和电源平面可以减少电阻引起的电压损失。如图所示,回路电流经过地流回,由于电阻R1的存在,势必在1和2点产生电压降,电阻越大,压降越大,引起对地电平的不一致,如果有地层,可视为线宽无限大,电阻很小的信号线。回路电流总是从最靠近信号的地层上流过,当地层不止一层时,如果信号处于两层地平面之间而两者又完全相同时,回路电流将等分在两个平面上通过。

4.2.1.在布局、布线局部化的条件下,数字地平面与模拟地平面公用同一块敷铜平面,即对数字地与模拟地不加区分,数字电路本身的噪声并不会给模拟电路系统带来额外的噪声。
4.2.2.在数字、模拟混合电路系统中,数字地与模拟地的共地点选择在板外,即两敷铜平面完全独立,使得数字电路与模拟电路之间的信号线不具备传输线的特征,给系统带来严重的信号完整性问题。数字电路与模拟电路采用同一个电源系统,地平面不加分割,在数字、模拟混合电路系统的设计中,在布局模块化、布线局部化的基础上,数字电路模块和模拟电路模块公用一个完整的、不加分割的电压参考平面,不但不会增大数字电路对模拟电路的干扰,由于消除了信号线“跨沟”问题,能够大幅度降低信号间的串扰和系统的地弹噪声,提高了前端模拟电路的精度。

4.3过孔造成的回流问题解决办法
在印制板信号布线时,如果是多层板,很多信号必须通过换层来完成连接任务,这时就要用到大量的过孔,过孔对回流的影响有两种:一是过孔形成沟槽阻断回流,二是过孔造成的回流跳层流动。
4.3.1 过孔形成的沟槽
在印制板信号布线时,如果是多层板,很多信号必须通过换层来完成连接任务,这时就要用到大量的过孔,如果过孔在电源或地平面排列比较密集,有时候会出现许多过孔连成一片的情况,形成所谓的沟,如图所示。首先,我们应该对这种情况进行分析,看看是否回流需要经过沟槽,如果信号的回流无需经过沟槽,就不会对回流造成阻碍影响。如果回路电路要绕过这条沟返回,形成的天线效应将急剧增加,对周边信号产生干扰。通常我们可以在涂敷数据生成后,对过孔过密而形成沟槽的地方加以调整,使过孔之间留有一定的距离。

4.3.2 过孔形成的跳层现象
下面我们以六层板为例进行分析。该六层板有两个涂敷层,第二层为地层,第五层为电源层,因此表层和第三层的信号回流主要在地层;底层和第四层的回流主要在电源层,换层布线时有以下六种可能:表层<----->第三层,表层<----->第四层,表层<----->底层,第三层<----->第四层, 第三层<----->底层,第四层<----->底层,这六种可能的情况根据其回路电流的情况可以分为两大类:回路电流在同一层上和在不同层上流动的情况,即是否有跳层现象。
A.回路电流在同一层上流动的情况包括表层<----->第三层、第四层<----->底层,如图所示。在这种情况下,回路电流都在同一层上流动,但是,由静电感应原理可知,处于电场中的完整的导体,其内部电场强度为零,所有的电流均在导体表面流动,地平面和电源平面实际上就是这样一个导体。我们使用的过孔均为通孔,这些过孔经过电源和地平面时留下的孔洞就给涂敷层上下表面的电流的流通通过了路径,因此,这些信号线的回流途径是很好的,无需采用措施来改善。
B. 回路电流在不同层上流动的情况包括表层<----->第四层、表层<----->底层、第三层<----->第四层、第三层<----->底层。下面以表层<----->底层和第三层<----->第四层为例,分析其回流情况。具有跳层现象的信号,需要其在过孔密集区附近增加一些旁路电容,通常为0.1uf的磁片电容,用来提供一个回流通路的。
