分享是一种智慧,也是一种互相学习的途径,作为电子人,以下这16个EMC设计标准电路,你值得收藏!
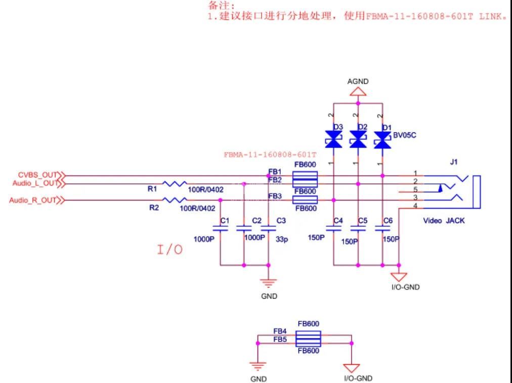
1.AV接口EMC设计标准电路

2.AC110V-220VEMC设计标准电路

3.CAN接口EMC设计标准电路

4.DC24V接口EMC设计标准电路

5.DVI EMC设计标准电路

6.LVDS接口EMC设计标准电路

7.RS232 EMC设计标准电路

8.SCART接口EMC设计标准电路

9.s-video接口EMC设计标准电路

10.USB2.0接口EMC设计标准电路

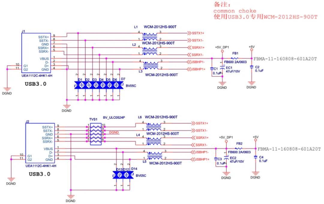
11.USB3.0接口EMC设计标准电路

12.耳机接口EMC设计标准电路

13.差分时钟EMC设计标准电路

14.无源晶振EMC设计标准电路

15.有源晶振EMC设计标准电路

16.复合视频接口EMC设计标准电路

猎板网分享的这16个标准电路图,希望对您的工程学习有帮助。